MTCV疊加式單向節流閥
瀏覽次數:88次
分享產品疊加閥是在集成塊和集成板的基礎上發展起來的新型元件,在組成系統時,他不需要另外的連接件,是以自身的閥體作為連接體,直接疊合而成。
疊加閥與一般閥在工作原理上沒有多大差別,但在具體結構上和連接方式上有其特點,因而它自成系列。每個疊加閥即起到控制元件功能作用,又起通道體作用。每種規格通徑的疊加閥主油路的位置和數量都與相應通徑主換向閥相同。因此,同一通徑系列的疊加閥都可以疊加起來組成不同的系統,通常一個系統(指控制一個執行部件)可以疊成一疊。在一疊中系統中的主換向閥(主換向閥不屬于疊加閥它是標準的板式元件)安裝在最上面,與執行部件連接用的底板塊放在最下面;疊加閥均安放在主換向疊和底板塊之間,其順序按系統的動作要求而定。
工作參數:
.jpg)
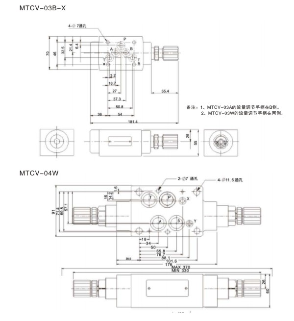
外形尺寸圖:
.jpg)
.jpg)
